PDH2-3201

Sanso PDH2-3201 – Magnetic Drive Centrifugal Pump
The Sanso PDH2-3201 magnetic drive centrifugal pump is engineered for precision cooling and temperature control in semiconductor tools, TCUs/chillers, and high-reliability OEM systems. The sealless design assures zero leakage, long service life, and compact installation, especially when paired with the DUF-60T inverter for stable control and energy savings.


Key Benefits
- Sealless magnetic drive – zero leakage, higher safety, minimal maintenance.
- High efficiency & long life – brushless design with robust bearings for continuous duty.
- Compact & lightweight – easy to integrate in dense OEM layouts.
- Optimized with DUF-60T inverter – precise control and energy savings across the cooling cycle.
Applications
- Semiconductor manufacturing equipment and tool cooling
- Temperature control units (TCUs) and industrial chillers
- Resin molding, printing, and process machinery
- High-reliability cooling for electronics and broadcasting
Typical fluids: Galden, Fluorinert, fresh water, ethylene glycol aqueous solutions, etc.
Liquid temperature: approx. -20 °C to +120 °C (standard range; depends on fluid type).
Pump Performance – PDH2-3201
Performance examples measured with Galden HT200 at 120 °C and 20 °C, driven by DUF-60T (3.7 kW, 3-phase 400 V).


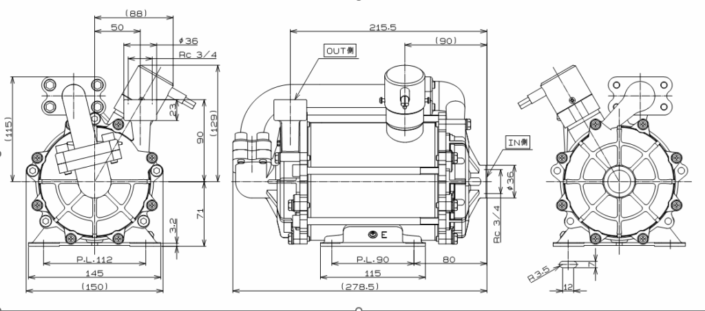
Dimensions & Weights
PDH2-3201 – overall dimensions

Pump weight: 15,7kg
DUF-60T – Inverter dimensions

Inverter weight: 1,9 kg
Note: For exact weights and connection details, refer to the latest datasheet revision.
DUF-60T Inverter – Highlights
- Stable frequency control for precise flow and head regulation.
- Optimized for PDH/PDH2 series – plug-and-run integration and protection features.
- Energy saving with variable-speed operation and reduced thermal load.
- Compact footprint – ideal for panel-mount OEM systems.
Design Concept: Built for the Future

Energy Saving
(for Earth)
High-efficiency hydraulics and motors reduce power consumption across the cooling cycle.
Magnetic drive, sealless construction eliminates leakage points and minimizes maintenance.
Long Life & High Reliability
(for Relief)
Small & Lightweight
(for Space)
Compact layouts enable higher component density in OEM chillers and tools.
Contact Us
Techma GPM is the official distributor of Sanso pumps in Italy and Europe, offering technical support, quick delivery, and OEM customization.
You are in: