Sanso DC PDH-752

Sanso PDH-752 – Magnetic Drive Centrifugal Pump
The Sanso PDH-752 magnetic drive pump is designed for precision cooling and temperature control systems, including semiconductor manufacturing equipment and high-performance chillers. This model ensures energy efficiency, long service life, and compact size for demanding OEM and industrial applications.


Applications
- Semiconductor manufacturing equipment
- Temperature control units and chillers
- Resin molding and printing machinery
- Specialized cooling systems for broadcasting equipment (e.g., Tokyo Skytree)
Fluids: Galden, Fluorinert, fresh water, ethylene glycol aqueous solutions, etc.
Liquid temperature: -20 °C to +120 °C (standard range)
Pump Performance
Performance data for PDH-752 measured with Galden HT200 at 120 °C under 200 V and 400 V operation.
Pump performance – 200V


Pump performance – 400V


Pump current value – Comparison 200V/400V


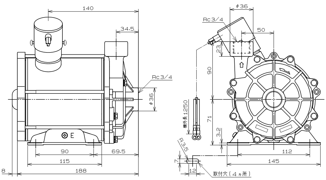
Dimensions and Weight
PDH-752 – overall dimensions

Pump weight: 10,8 kg

Inverter weight: 1,7 kg
Design Concept: Built for the Future

Energy Saving
(for Earth)
High-efficiency hydraulics and motors reduce power consumption across the cooling cycle.
Magnetic drive, sealless construction eliminates leakage points and minimizes maintenance.
Long Life & High Reliability
(for Relief)
Small & Lightweight
(for Space)
Compact layouts enable higher component density in OEM chillers and tools.
Contact Us
Techma GPM is the official distributor of Sanso pumps in Italy and Europe, offering technical support, quick delivery, and OEM customization.
You are in: